- НаличиеВ наличии
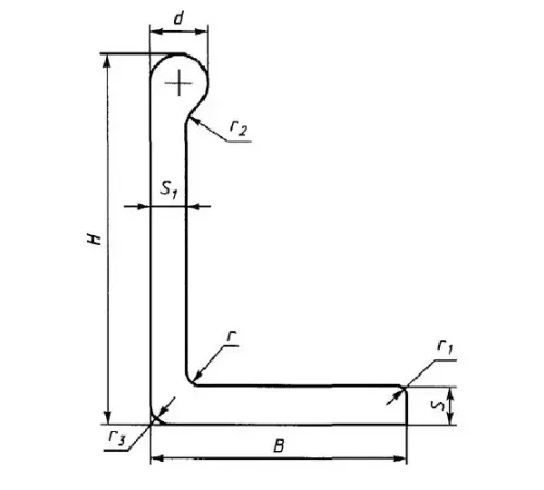
Алюминиевые бульбоугольники – это специализированный металлопрокат, широко применяемый в строительстве, машиностроении и архитектуре для создания прочных и легких каркасных конструкций, декоративных элементов и опор.
Ключевые преимущества продукции – малый вес при высокой прочности, отличная коррозионная стойкость и долговечность, что позволяет снизить общую нагрузку на конструкции и минимизировать затраты на обслуживание.
Мы предлагаем бульбоугольники из различных марок алюминиевых сплавов (АД31, АМг, Д16 и др.) с широким диапазоном типоразмеров: два основных размера от 12 до 90 мм и толщиной стенки от 1 до 6 мм.
Оформите онлайн-заказ для юридических лиц с безналичным расчетом, запросите коммерческое предложение и получите быструю доставку по Лиде и всей Беларуси.
Нет отзывов об этом товаре.
Пока нет вопросов об этом товаре. Станьте первым!
