- НаличиеВ наличии
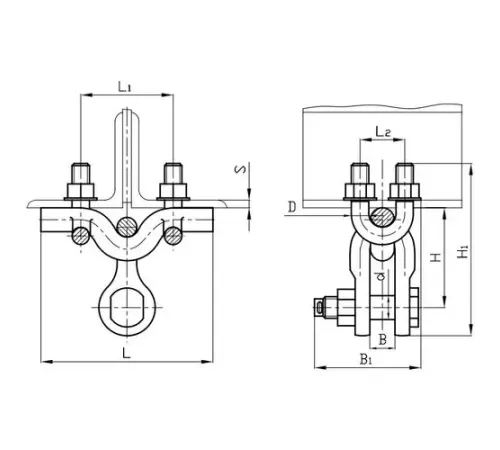
Узлы крепления типа КГ предназначены для надёжного соединения и подвески проводов, грозозащитных тросов на опорах воздушных линий электропередачи (ЛЭП). Они являются ключевым элементом линейной арматуры, обеспечивающим безопасную и стабильную работу энергетических сетей.
Использование качественных узлов крепления КГ позволяет значительно повысить механическую прочность и долговечность всей конструкции ЛЭП, минимизируя риски аварийных ситуаций. Это обеспечивает бесперебойную передачу электроэнергии и снижает затраты на техническое обслуживание.
Изделия отличаются высокими качественными характеристиками: разрушающая нагрузка варьируется от 120 до 400 кН. Доступны различные варианты по длине (от 90 до 254 мм) и массе (от 1,17 до 11,5 кг), что позволяет подобрать оптимальное решение для любого проекта.
Мы предлагаем широкий ассортимент марок, включая КГ-12-1, КГ-16-1, КГ-21-3, КГ-25-1, КГ-30-3, КГ-40-1 и другие. Оформите онлайн-заказ для получения коммерческого предложения.
Нет отзывов об этом товаре.
Пока нет вопросов об этом товаре. Станьте первым!
