Коромысла промышленные в Лиде для юрлиц

Коромысла – это ответственные детали грузоподъёмного оборудования, используемые в системах балансировки и подвеса грузов. Они находят применение в крановом хозяйстве, металлургической, машиностроительной и строительной отраслях для обеспечения безопасного и эффективного перемещения тяжестей.

Использование качественных коромысел позволяет равномерно распределить нагрузку на стропы, значительно повысив безопасность проведения такелажных и погрузочно-разгрузочных работ. Это снижает риск перекоса и падения груза, защищая персонал и материальные ценности.

Мы предлагаем коромысла, изготовленные в строгом соответствии с ГОСТ и ТУ из высокопрочных марок стали. Все изделия проходят контроль качества, что гарантирует их надёжность, точность геометрии и длительный срок службы даже при интенсивных нагрузках.

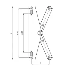
В ассортименте представлены все основные типы: лучевые коромысла КЛ и КУ, модели типа 2К, 2КД2, 2КЛ, 2КУ, 3КБ, 3КД2, 4КД2-25-1, К2 и КТ3-7-1. Это позволяет подобрать оптимальное решение для любой технической задачи и грузоподъёмности.

Коромысла лучевые типа КЛ
Цена по запросу
Коромысла лучевые типа КУ
Цена по запросу
Коромысла типа 2К
Цена по запросу
Коромысла типа 2КД2
Цена по запросу
Коромысла типа 2КЛ
Цена по запросу
Коромысла типа 2КУ
Цена по запросу
Коромысла типа 3КБ
Цена по запросу
Коромысла типа 3КД2
Цена по запросу
Коромысла типа 4КД2-25-1
Цена по запросу
Коромысла типа К2
Цена по запросу
Коромысла типа КТ3-7-1
Цена по запросу
Показано с 1 по 11 из 11 (всего 1 страниц)